Smartruss & Bondek
Produk Smartruss & Bondek dirancang untuk memberikan kekuatan struktural maksimum dengan material baja ringan berkualitas tinggi. Cocok untuk kebutuhan rangka atap, dinding, dan lantai bangunan modern, sistem ini menawarkan daya tahan, presisi, dan efisiensi dalam pemasangan, serta penghematan volume beton.



LYSAGHT® SMARTRUSS®
Smartruss adalah sistem rangka atap yang menawarkan ketahanan, keterjangkauan, kekuatan, stabilitas dan Prdduk ini ideal untuk konstruksi perumahan dan bangunan komersial ringan.
Spesifikasi Teknikal Sistem SMARTRUSS® Classic
1. Keperluan Bahan (Properti Mekanikal)
Gred Baja: Baja Mutu Tinggi G550 (dibuktikan dengan mill certificate).
Tegangan Lelah (Yield Strength): 550 MPa.
Modulus Elastisitas: $2,1 \times 10^{5}$ MPa.
Modulus Geser (Shear Modulus): $8 \times 10^{4}$ MPa.
2. Lapisan Pelindung Karat (Coating)
Jenis: Zincalume / AZ (Seng dan Aluminium).
Komposisi: 55% Aluminium (Al), 43,5% Seng (Zinc), 1,5% Silikon (Si).
Ketebalan Pelapisan: 100 gr/m² (AZ 100).
| Kategori Komponen | Kod Profil | Tinggi Profil (mm) | Ketebalan Dasar Baja (mm) | Bentuk Profil |
| Rangka Atap (Truss) | C75.75 | 75 | 0,75 | Lip-Channel |
| C75.70 | 75 | 0,70 | Lip-Channel | |
| C75.60 | 75 | 0,60 | Lip-Channel | |
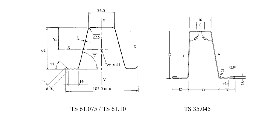
| Reng (Batten) | TS 61.100 | 61 | 1,00 | Top Hat (U Terbalik) |
| TS 61.075 | 61 | 0,75 | Top Hat (U Terbalik) | |
| TS 35.045 | 35 | 0,45 | Top Hat (U Terbalik) |
LYSAGHT® SMARTDEK®
Ini adalah panel dek berprofil “W” yang inovatif dengan cakupan yang lebih luas per berat baja. Panel ini digunakan sebagai bekisting permanen pada pelat konvensional, serta sebagai tulangan tarik bawah dalam desain pelat komposit. Rusuk setinggi 51mm memberikan kekuatan untuk kapasitas bentang yang sangat baik dengan defleksi yang lebih sedikit, menyediakan platform kerja yang aman selama konstruksi, serta mengurangi volume beton untuk penghematan yang superior. Embossment (tonjolan) di bagian atas flange memberikan keterkaitan mekanis yang sangat baik antara baja dan beton, sangat cocok untuk konstruksi pelat komposit.
| Parameter Spesifikasi | Detail Keterangan |
| Lebar Efektif | 960 mm |
| Tinggi Gelombang | 51 mm |
| Massa Pelapis (Coating) | Z275, K180 |
| Pilihan Ketebalan (BMT) | 0.70 mm, 1.00 mm, 1.20 mm |
| Grade Baja | G550 (untuk BMT 0.70 & 1.00) dan G450 (khusus BMT 1.20) |
Konsultasikan Kebutuhan Atap Anda dengan Ahlinya!
Diskusikan kebutuhan proyek Anda bersama tim teknis kami. Silakan hubungi kontak di bawah atau isi formulir yang tersedia untuk mendapatkan solusi material dan penawaran harga yang sesuai dengan spesifikasi Anda.